Kit raccords push pull 1/2 pour un double effet distributeur 40L
€71,99 Le prix initial était : €71,99.€58,99Le prix actuel est : €58,99. HT
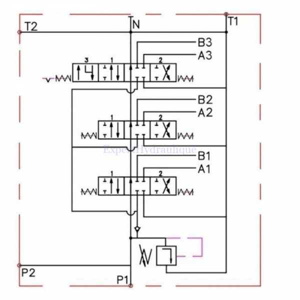
Distributeur hydraulique 1 DE + 2 DE flottante 80 litres
€248,98 HT
Distributeur hydraulique trois fonctions hydrauliques 80 litres / minutes. 1 Double effet tet 2 double effets avec position flotante.
En stock (Livraison en 24 heures)
UGS :
DM080A1D2
Catégories : Distributeur hydraulique, Distributeurs manuels, Distributeurs manuels 80 à 100 litres
Description
Distributeur monobloc trois fonctions 80 litres / minute. – 1 double effet – 2 Double effet avec position flottante Ce distributeur est particulièrement adapté à toute application sur des circuit hydraulique ne dépassant pas 80 l/mn
Caractéristiques du distributeur hydraulique trois fonctions 80 litres :
- Retour automatique du levier au milieu.
- Implantation 1/2″ BSP (A et B) pour les sorties du côté vérin.
- Implantation 3/4″ BSP (24,1 mm) pour (T) le retour au réservoir et (N) le centre à suivre.
- Implantation 1/2″ BSP (18,6 mm) pour (P) la pression.
- Limiteur de pression réglé usine à 180 Bars. (Réglage possible 30 bars / tour)
- Limiteur de pression intégré et réglable pour une pression maximum de 250 bars.
- Pression maximum sur les sections: 300 Bars
- Pression maximum sur l’alimentation pression: 250 bars
- Pression maximum sur le retour (T) 50 bars
- Distributeur livré monté par défaut pour une utilisation en centre ouvert.
- Pour une utilisation en Centre à suivre (CS) utilisez le bouchon CS080L
Avantages :
Un distributeur double effet haut de gamme simple à installer avec des orifices en 3/4 GAZ qui permettent de ne pas faire de pertes de charges à l’entrée ou à la sortie du distributeur. Un distributeur pour des professionnelles exigeants en terme de performances.
Simple à installer :
Distributeur livré avec sa notice de montage et d’utilisation en Français.
Garantie :
Produit CE, garantie 1 an.
Informations complémentaires
| Poids | 10,5 kg |
|---|---|
| Débit maxi | 80 l/min |
| Pression service maxi | 250 Bars |
| Nombre de fonctions | 3 Fonctions |
| Dimensions raccords | 1/2″ BSP, 3/4″ BSP |
Avis (0)
Soyez le premier à laisser votre avis sur “Distributeur hydraulique 1 DE + 2 DE flottante 80 litres” Annuler la réponse
Transport et emballage
[vc_row content_placement="top" el_class="wood-shipping"][vc_column offset="vc_col-md-6" css=".vc_custom_1497605639148{margin-bottom: 30px !important;}" woodmart_sticky_column="true"]
[/vc_column][vc_column offset="vc_col-md-6"][woodmart_title size="small" align="left" title="EMABALLAGE" css=".vc_custom_1539187262355{margin-bottom: 20px !important;}" woodmart_css_id="5bbe22343d88f" title_width="100"][vc_column_text text_larger="no"]Nos colis sont réalisés dans nos locaux ce qui nous permet de nous assurer de la meilleure qualité d'emballage possible.
Les pompes hydrauliques et produits de plus de 5 kg sont emballées dans des cartons spécifique dis à double voir triple cannelure.[/vc_column_text][woodmart_title align="left" title="TRANSPORT" css=".vc_custom_1539187140309{margin-bottom: 20px !important;}" woodmart_css_id="5bbe21b0b401b" title_width="100"][vc_column_text css=".vc_custom_1539187682202{margin-bottom: 30px !important;}" text_larger="no"]Nos transporteur sont sélectionnés pour la qualité de leurs prestations.
Les accords que nous avons signé avec eux nous permet de vous assurer le meilleur service possible.[/vc_column_text][/vc_column][/vc_row]
Vous aimerez peut-être aussi…
Coupleur push pull 1/2 hydraulique Male + femelle ISO-A
UGS:
2COUA012MF012BF
Note 4.90 sur 5
En stock
€14,88 HTKit deux coupleurs 1/2 avec support et bouchons
UGS:
KITCOU012M1815X2
Note 4.42 sur 5
En stock
€34,88 HTRaccord centre à suivre (CS) pour distributeurs 80 l/min
UGS:
CS080L
Note 5.00 sur 5
En stock
€15,98 HT


Avis
Il n’y a encore aucun avis