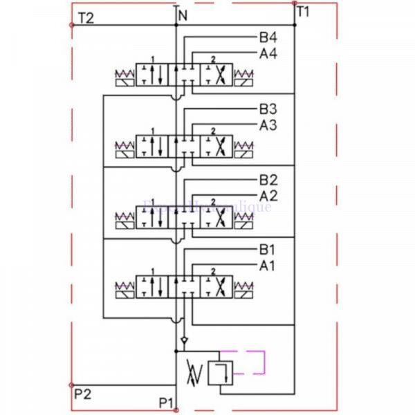
Distributeur 4 fonctions électrique double effet 12/24V 50L/min
€458,98 HT
Distributeur 4 double effet électrique 50l/min adapté pour piloter des fonctions doubles dans tous vos circuits hydrauliques ne dépassant pas les 50l/min.
UGS :
DM050A4EXXV
Catégories : Distributeur hydraulique, Distributeurs électriques, Distributeurs électriques 50 litres
Description
Distributeur monobloc 4 fonctions double effet électrique 12V ou 24V en 50 litres / minute. Ce distributeur est particulièrement adapté à toute application sur des circuit hydraulique ne dépassant pas 50 l/mn.
Caractéristiques d’un distributeur 4 double effet électrique 50l/min:
- Implantation 3/8 BSP (A et B) pour les sorties du côté vérin.
- Implantation 1/2 BSP (18,6 mm) pour (P et T) l’arrivé et la sortie.
- Limiteur de pression intégré et réglable pour une pression maximum de 250 bars.
- Pression de retour maximale : 50Bar
- Pression de section maximale : 300Bar
- Température ambiante admissible : -40 C à +60 C
- Température d’huile admissible : -15 C à +80 C
- Distributeur livré monté par défaut pour une utilisation en centre ouvert.
- Pour une utilisation en Centre à suivre (CS) utilisez le raccord CS040L
Avantages :
Un distributeur double effet haut de gamme simple à installer avec des orifices en 1/2 GAZ qui permettent de ne pas faire de pertes de charges à l’entrée ou à la sortie du distributeur. Un distributeur pour des professionnelles exigeants en terme de performances.
Simple à installer :
Distributeur livré avec sa notice de montage et d’utilisation en Français.
Garantie :
Produit CE, garantie 1 an.
Informations complémentaires
| Poids | 10 kg |
|---|---|
| Tension | 12V, 24V |
Avis (0)
Soyez le premier à laisser votre avis sur “Distributeur 4 fonctions électrique double effet 12/24V 50L/min” Annuler la réponse
Transport et emballage
[vc_row content_placement="top" el_class="wood-shipping"][vc_column offset="vc_col-md-6" css=".vc_custom_1497605639148{margin-bottom: 30px !important;}" woodmart_sticky_column="true"]
[/vc_column][vc_column offset="vc_col-md-6"][woodmart_title size="small" align="left" title="EMABALLAGE" css=".vc_custom_1539187262355{margin-bottom: 20px !important;}" woodmart_css_id="5bbe22343d88f" title_width="100"][vc_column_text text_larger="no"]Nos colis sont réalisés dans nos locaux ce qui nous permet de nous assurer de la meilleure qualité d'emballage possible.
Les pompes hydrauliques et produits de plus de 5 kg sont emballées dans des cartons spécifique dis à double voir triple cannelure.[/vc_column_text][woodmart_title align="left" title="TRANSPORT" css=".vc_custom_1539187140309{margin-bottom: 20px !important;}" woodmart_css_id="5bbe21b0b401b" title_width="100"][vc_column_text css=".vc_custom_1539187682202{margin-bottom: 30px !important;}" text_larger="no"]Nos transporteur sont sélectionnés pour la qualité de leurs prestations.
Les accords que nous avons signé avec eux nous permet de vous assurer le meilleur service possible.[/vc_column_text][/vc_column][/vc_row]
Vous aimerez peut-être aussi…
Coupleur push pull 1/2 hydraulique Male + femelle ISO-A
UGS:
2COUA012MF012BF
Note 4.90 sur 5
En stock
€14,88 HTKit deux coupleurs 1/2 avec support et bouchons
UGS:
KITCOU012M1815X2
Note 4.42 sur 5
En stock
€34,88 HT


Avis
Il n’y a encore aucun avis