Distributeur 4 fonctions double effet dont 3 flottante
€186,99 HT
Ce distributeur spécial vous permet de piloter 4 fonctions distinctes :
1 Double effet
3 Double effet avec position flottante
En stock (Livraison en 24 heures)
UGS :
DM040A1D3
Catégories : Distributeur hydraulique, Distributeurs manuels, Distributeurs manuels 40 litres
Description
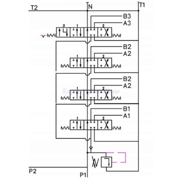
Distributeur 4 fonctions 3 double effet flottante + 1 double effet – 1 Double effet – 3 Doubles effet avec position flottante Ce distributeur hydraulique est particulièrement adapté à toute application sur des circuits hydrauliques ne dépassant pas 40 l/mn.
Caractéristiques d’un distributeur hydraulique 3 double effet flottante + 1 double effet :
- Retour automatique du levier au milieu.
- Implantation 1/2 BSP (18,6 mm) pour (P et T) pour l’arrivé et la sortie.
- Implantation 3/8 BSP pour les sorties A et B
- Limiteur de pression intégré et réglable pour une pression maximum de 250 bars. ( Tarage usine 175 bars)
- Distributeur livré monté par défaut pour une utilisation en centre ouvert.
- Levier de distributeur positionnable en vertical ou horizontal.
Pour une utilisation en Centre à suivre (CS) utilisez le raccord CS040L Pour une utilisation en centre fermé, utilisez le bouchon DCFERME040L
Avantages :
Un distributeur double effet haut de gamme simple à installer avec des orifices en 1/2 GAZ qui permettent de ne pas faire de pertes de charges à l’entrée ou à la sortie du distributeur. Un distributeur pour des professionnelles exigeants en terme de performances.
Simple à installer :
Distributeur livré avec sa notice de montage et d’utilisation en Français.
Garantie :
Produit CE, garantie 1 an. Schéma hydraulique du distributeur 4 éléments:
En savoir plus sur les distributeurs hydrauliques c’est ici
Informations complémentaires
| Poids | 6,5 kg |
|---|---|
| Débit maxi | 40 l/min |
| Nombre de fonctions | 4 Fonctions |
| Pression service maxi | 250 Bars |
| Dimensions raccords | 1/2″ BSP, 3/8″ BSP |
Avis (0)
Soyez le premier à laisser votre avis sur “Distributeur 4 fonctions double effet dont 3 flottante” Annuler la réponse
Transport et emballage
[vc_row content_placement="top" el_class="wood-shipping"][vc_column offset="vc_col-md-6" css=".vc_custom_1497605639148{margin-bottom: 30px !important;}" woodmart_sticky_column="true"]
[/vc_column][vc_column offset="vc_col-md-6"][woodmart_title size="small" align="left" title="EMABALLAGE" css=".vc_custom_1539187262355{margin-bottom: 20px !important;}" woodmart_css_id="5bbe22343d88f" title_width="100"][vc_column_text text_larger="no"]Nos colis sont réalisés dans nos locaux ce qui nous permet de nous assurer de la meilleure qualité d'emballage possible.
Les pompes hydrauliques et produits de plus de 5 kg sont emballées dans des cartons spécifique dis à double voir triple cannelure.[/vc_column_text][woodmart_title align="left" title="TRANSPORT" css=".vc_custom_1539187140309{margin-bottom: 20px !important;}" woodmart_css_id="5bbe21b0b401b" title_width="100"][vc_column_text css=".vc_custom_1539187682202{margin-bottom: 30px !important;}" text_larger="no"]Nos transporteur sont sélectionnés pour la qualité de leurs prestations.
Les accords que nous avons signé avec eux nous permet de vous assurer le meilleur service possible.[/vc_column_text][/vc_column][/vc_row]
Vous aimerez peut-être aussi…
Coupleur push pull 1/2 hydraulique Male + femelle ISO-A
UGS:
2COUA012MF012BF
Note 4.90 sur 5
En stock
€14,88 HTRaccord centre à suivre (CS) 17 mm pour distributeur 40-50l/mn
UGS:
CS040L17
Note 4.84 sur 5
En stock
€14,98 HTKit deux coupleurs 1/2 avec support et bouchons
UGS:
KITCOU012M1815X2
Note 4.42 sur 5
En stock
€34,88 HTRaccord centre fermé tracteurs John Deere distributeur 40 l/mn
UGS:
DCFERME040L
Note 5.00 sur 5
En stock
€11,98 HT


Avis
Il n’y a encore aucun avis