Retour aux produits
Clapets anti retour double piloté (double)
€26,88 – €64,88Plage de prix : €26,88 à €64,88 HT
Limiteur de pression double pour moteur OMP OMR
Noté 5.00 sur 5 basé sur 1 notation client
(1 avis client)
€64,90 HT
Bloc limiteur de pression double pour tous les moteurs OMP, OMR, MMP, BMR …
Permet un réglage fin de la pression hydraulique dans chaque sens de rotation du moteur hydraulique.
En stock (Livraison en 24 heures)
UGS :
MMPLIMX2
Catégories : Accessoires moteurs, Composants, Limiteurs de pression, Moteur hydraulique
Description
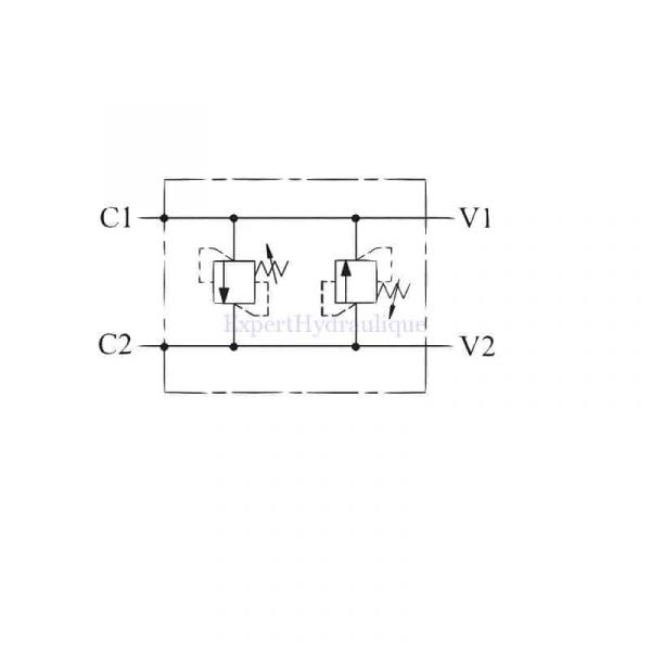
Bloc double limiteur de pression à flasquer directement sur la gamme de moteur OMP OMR et OMH.
Positionner le bloc sur le moteur hydraulique de façon à ce que les orifices V1 et V2 soient du ôte moteur hydraulique.
Alimentez le moteur par les orifices C1 et C2
Fixez le bloc sur le moteur hydraulique avec 2 raccords 1/2″ BSP et M22x150 traversant le limiteur et se vissant directement sur le moteur.
Caractéristiques d’un bloc limiteur de pression pour moteurs OMP et OMR :
- Débit maximum: 60 l/mn.
- Filetage côté moteur: 1/2 BSP.
- Filetage côté flexible hydraulique : M22x1.5
- Etanchéité côté bloc: joints toriques encastrés 20 x 2.65
- Plage de réglage des limiteur de pression: 50 -200 Bars.
- Réglage usine d’origine 130 bars et soupape de décharge 50 bars
- Réglage du limiteur : 45 bars par tour complet (attention d’utiliser un manomètre pour réaliser le réglage).
- Température de fonctionnement °C : – 4 à + 60
- Température maximum admissible °C : -15 à + 80
- Bloc en aluminium.
Avantages :
Sécuriser vos montage et vos moteurs hydrauliques en évitant de dépasser les valeurs de pression des moteurs hydrauliques.
Garantie :
Produit CE, bloc hydraulique garantie 1 an.
Informations complémentaires
| Poids | 1,5 kg |
|---|---|
| Pression service maxi | 250 Bars |
Avis (1)
1 avis pour Limiteur de pression double pour moteur OMP OMR
Ajouter un Avis Annuler la réponse
Transport et emballage
[vc_row content_placement="top" el_class="wood-shipping"][vc_column offset="vc_col-md-6" css=".vc_custom_1497605639148{margin-bottom: 30px !important;}" woodmart_sticky_column="true"]
[/vc_column][vc_column offset="vc_col-md-6"][woodmart_title size="small" align="left" title="EMABALLAGE" css=".vc_custom_1539187262355{margin-bottom: 20px !important;}" woodmart_css_id="5bbe22343d88f" title_width="100"][vc_column_text text_larger="no"]Nos colis sont réalisés dans nos locaux ce qui nous permet de nous assurer de la meilleure qualité d'emballage possible.
Les pompes hydrauliques et produits de plus de 5 kg sont emballées dans des cartons spécifique dis à double voir triple cannelure.[/vc_column_text][woodmart_title align="left" title="TRANSPORT" css=".vc_custom_1539187140309{margin-bottom: 20px !important;}" woodmart_css_id="5bbe21b0b401b" title_width="100"][vc_column_text css=".vc_custom_1539187682202{margin-bottom: 30px !important;}" text_larger="no"]Nos transporteur sont sélectionnés pour la qualité de leurs prestations.
Les accords que nous avons signé avec eux nous permet de vous assurer le meilleur service possible.[/vc_column_text][/vc_column][/vc_row]


jean Baptiste D. (client confirmé) –
Fonctionne, manque une notice.