Retour aux produits
Tube acier épaisseur 1.5 mm diamètre à choisir
€17,99 – €59,89Plage de prix : €17,99 à €59,89Mètre HT
Pompe GR3 Casappa fixations 4 trous arbre conique 1/8
€526,59 – €669,99Plage de prix : €526,59 à €669,99 HT
Pompe hydraulique Groupe 3 de la marque Casappa. Fixation 4 trous et un arbre conique 1/8 cylindrée et sens de rotation à choisir.
UGS :
PE3***146CASA
Catégories : Pompe hydraulique, Pompes à engrenages, Pompes standards
Description
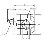
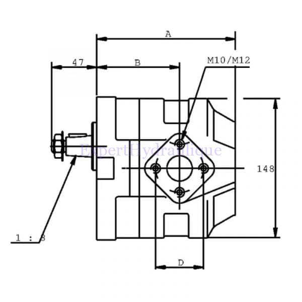
Pompe hydraulique GR3 en fonte fixation 4 trous, avec un arbre conique 1/8 de la marque Casappa.
Une gamme de pompe particulièrement adaptées aux fortes exigences en terme de débit et de pression sur les grosses installations.
On les retrouve régulièrement en mobile, sur les grosses fendeuses de bûches, les débroussailleuses, les engins de manutentions, les élagueuses mais aussi en industrie sur les centrales hydraulique en poste fixe.
Caractéristiques de la pompe GR3 Casappa fixations 4 trous arbre conique 1/8 :
- Cylindrée : à sélectionner
- Sens de rotation : à sélectionner
- Arbre conique 1/8
- Bride Européenne
- Matériau : acier
- Sens de rotation : à sélectionner
| Référence Casappa | Cylindrée | P. de service en continu max. | P. de service intermittente max. | Pique de pression max. | Vitesse de rotation | Longueur (A) | Longueur (B) | Bride refoulement (E) | Bride aspiration (D) |
|---|---|---|---|---|---|---|---|---|---|
| KP3027D083E3 | 27 cm3 | 280 bar | 300 bar | 310 bar | 3000 tr/min | 133 mm | 85 mm | 40 mm x 40 mm | 51 mm x 51 mm |
| KP3034D083E3 | 34 cm3 | 260 bar | 280 bar | 300 bar | 3000 tr/min | 138 mm | 90 mm | 40 mm x 40 mm | 51 mm x 51 mm |
| KP3038D083E3 | 39 cm3 | 260 bar | 280 bar | 300 bar | 3000 tr/min | 141 mm | 93 mm | 40 mm x 40 mm | 51 mm x 51 mm |
| KP3043D083E3 | 43 cm3 | 250 bar | 270 bar | 290 bar | 3000 tr/min | 144 mm | 96 mm | 40 mm x 40 mm | 51 mm x 51 mm |
| KP3051D083E3 | 52 cm3 | 230 bar | 250 bar | 270 bar | 2500 tr/min | 149 mm | 93 mm | 40 mm x 40 mm | 51 mm x 51 mm |
| KP3061D083E3 | 61 cm3 | 200 bar | 220 bar | 240 bar | 2500 tr/min | 155 mm | 100 mm | 40 mm x 40 mm | 51 mm x 51 mm |
Sélectionnez vos brides de fixation ici
Garantie :
Produit CE, cette pompe est garantie 1 an.
Si ce n’est pas le bon montage, nous reprenons la pompe.
Vous avez un doute sur la compatibilité de la pompe : envoyez nous la photo de votre pompe ou la référence gravée sur votre pompe.
Si ce n’est pas le bon montage, nous reprenons la pompe.
Vous avez un doute sur la compatibilité de la pompe : envoyez nous la photo de votre pompe ou la référence gravée sur votre pompe.
Informations complémentaires
| Poids | 8,1 kg |
|---|---|
| Type de fixation et centrage | 4 trous 128,1 x 98,4 centrage 50,8 |
| Cylindrée | 27 cm3, 34 cm3, 39 cm3, 43 cm3, 52 cm3, 61 cm3 |
| Rotation | Droite, Gauche |
| Type d'arbre | Cone 1/8 |
| Conception | Engrenages externes |
| Fabricant | Casappa |
| Groupe | Groupe 3 |
Avis (0)
Soyez le premier à laisser votre avis sur “Pompe GR3 Casappa fixations 4 trous arbre conique 1/8” Annuler la réponse
Transport et emballage
[vc_row content_placement="top" el_class="wood-shipping"][vc_column offset="vc_col-md-6" css=".vc_custom_1497605639148{margin-bottom: 30px !important;}" woodmart_sticky_column="true"]
[/vc_column][vc_column offset="vc_col-md-6"][woodmart_title size="small" align="left" title="EMABALLAGE" css=".vc_custom_1539187262355{margin-bottom: 20px !important;}" woodmart_css_id="5bbe22343d88f" title_width="100"][vc_column_text text_larger="no"]Nos colis sont réalisés dans nos locaux ce qui nous permet de nous assurer de la meilleure qualité d'emballage possible.
Les pompes hydrauliques et produits de plus de 5 kg sont emballées dans des cartons spécifique dis à double voir triple cannelure.[/vc_column_text][woodmart_title align="left" title="TRANSPORT" css=".vc_custom_1539187140309{margin-bottom: 20px !important;}" woodmart_css_id="5bbe21b0b401b" title_width="100"][vc_column_text css=".vc_custom_1539187682202{margin-bottom: 30px !important;}" text_larger="no"]Nos transporteur sont sélectionnés pour la qualité de leurs prestations.
Les accords que nous avons signé avec eux nous permet de vous assurer le meilleur service possible.[/vc_column_text][/vc_column][/vc_row]


Avis
Il n’y a encore aucun avis